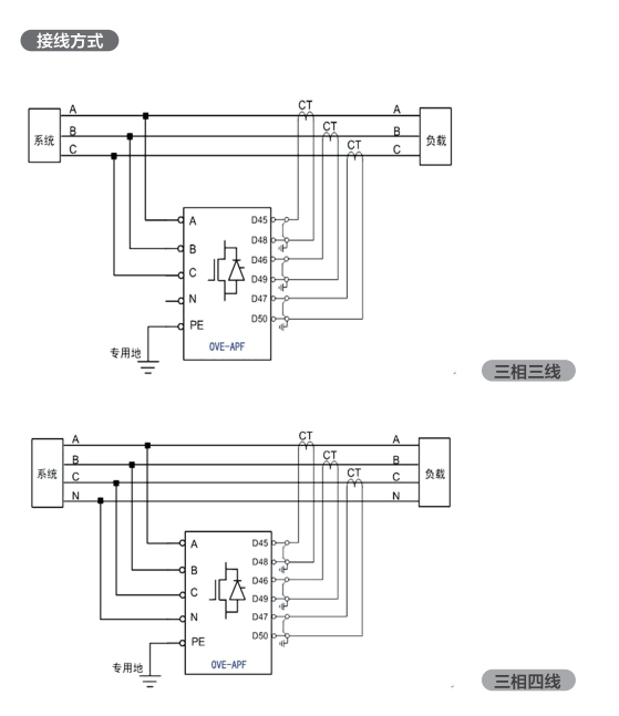
OVE-APF有源濾波器
工作原理

裝置主要由功率變流器、直流側電容,控制電路板、電流電壓檢測電路、各種電氣開關與電路保護器件及電力導線(銅排)構成。
有源電力濾波器并聯接入電網中,通過采樣互感器實時監測出被補償對象的負載電流,經過指令電流運算電路計算得出補償電流的指令信號,經過補償電流發生
電路后,生成一個大小相等、相位相反的指令電流,由電力電子器件IGBT主電路快速發出相應的補償電流,實時抵消負載中的諧波,使得經過補償后的電網電流
就是所需要的理想電流,達到消除諧波、凈化電網的目的。
濾波效果


性能參數及功能
1)實時諧波濾除:具有全補償和離散補償功能,全補償時可以同時濾除2~51次內的全部諧波;離散補償是針對特定次數諧波定向濾除,單次可選的諧波種類達
到20種以上。
2)無功補償功能:裝置不僅可以補償諧波,還應具備無功功率補償、治理系統三相不平衡的功能,補償方式多樣??捎行Ц纳齐妷夯?,抑制沖擊性負荷引起
的電壓波動。
3)控制器采用“DSP+CPLD”的全數字化設計平臺,反應速度快,保護響應及時,不會因電網發生異常而損壞。
4)裝置本身發生故障時有自我保護功能,但不中斷供電電路,不影響正在運行的其他設備。
5)具備先進的諧振保護技術,負載變化過程中,若出現諧振,應能自動判斷,并退出系統,同時報警,避免故障。
6)具備自動限流功能,當系統需求補償量大于補償裝置的額定補償量時,補償裝置額定補償輸出,而不會發生過載,影響設備使用壽命。
7)具有485和以太網通訊接口,可實現用戶遠程監控的功能要求。
應用場合

整流器、變頻器、大型UPS、中頻爐、電弧爐、焊機等工業型大容量非線性負載,以及商業建筑領域大量使用的熒光燈、電腦、UPS、電梯、變頻空調等產生大
量的諧波,不僅嚴重污染電網,而且其產生的零序諧波疊加到中性線,使中性線發熱,嚴重威脅配電系統安全。 OVE-APF系列有源濾波器不僅可以補償諧波,
還應具備無功功率補償、治理系統三相不平衡的功能,補償方式多樣,可有效改善電壓畸變,抑制沖擊性負荷引起的電壓波動。
應用的項目涉及電力、醫院、紡織、軌道交通、商業、銀行、制藥廠、新能源、設備加工制造等多個領域和行業。
技術指標

有源電力濾波器,是采用現代電力電子技術和數字信號處理技術結合而成的新型電力諧波專用設備。
有源電力濾波器相當于一個諧波電流發生器,它跟蹤諧波源電流中的諧波分量,產生與之等幅反相的諧波電流,從而抵消諧波源產生的諧波電流。
有源電力濾波器可廣泛用于工業、商業、信息業等各領域中的電力諧波治理,治理效果好,節能、節材,是諧波治理技術的最新發展方向,有廣闊的發展前景。


